Product

LM603049/LM603011

Articol
LM603049/LM603011
Dimensiuni
Brand
URB | SKF
Țara de origine
URB - România, SKF - Uniunea Europeană
Trimite solicitare
Specificații
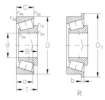
Diametru interior
45.242 mm
Înalțimea
19.842 mm
T(mm)
19.842
r3s r4s min.(mm)
3.5
"e ()"
0.43
Dinamic
59600 KN
grease(min1)
4600
kg ()
0.36
Diametru exterior
77.788 mm
C (mm)
15.08
r1s r2s min.(mm)
0.8
oil(min1)
6200
Y()
1.41
"Y0 ()"
0.77
Static
77900 KN