Product

LM102949/LM102910

Articol
LM102949/LM102910
Dimensiuni
Brand
URB | SKF
Țara de origine
URB - România, SKF - Uniunea Europeană
Trimite solicitare
Specificații
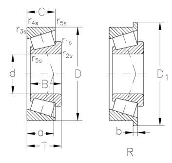
Diametru interior
45.242 mm
Înalțimea
19.812 mm
"e ()"
0.34
r3s r4s min.(mm)
0.8
grease(min1)
3000
Dinamic
97.8 KN
"Y0 ()"
1
oil(min1)
4500
Diametru exterior
73.431 mm
C (mm)
15.748
r1s r2s min.(mm)
3.5
a(mm)
15
T(mm)
19.558
Y()
1.8
Static
134 KN
kg ()
308