Product

HM903249/HM903210

Articol
HM903249/HM903210
Dimensiuni
Brand
URB | SKF
Țara de origine
URB - România, SKF - Uniunea Europeană
Trimite solicitare
Specificații
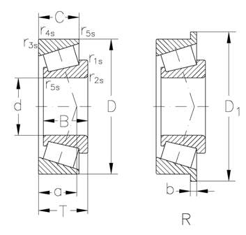
Diametru interior
44.45 mm
Înalțimea
28.575 mm
T(mm)
30.958
r3s r4s min.(mm)
0.8
"e ()"
0.74
Dinamic
107000 KN
grease(min1)
3700
kg ()
1
Diametru exterior
95.25 mm
C (mm)
22.225
r1s r2s min.(mm)
3.5
oil(min1)
4900
Y()
0.81
"Y0 ()"
0.45
Static
132000 KN