Product

HM803149/HM803110

Articol
HM803149/HM803110
Dimensiuni
Brand
URB | SKF
Țara de origine
URB - România, SKF - Uniunea Europeană
Trimite solicitare
Specificații
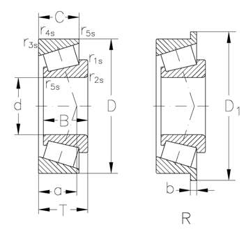
Diametru interior
44.45 mm
Înalțimea
29.37 mm
T(mm)
30.162
r3s r4s min.(mm)
3.3
"e ()"
0.55
Dinamic
105000 KN
grease(min1)
4300
kg ()
0.84
Diametru exterior
88.9 mm
C (mm)
23.02
r1s r2s min.(mm)
3.5
oil(min1)
5800
Y()
1.1
"Y0 ()"
0.6
Static
144000 KN