Product

25581/25520

Articol
25581/25520
Dimensiuni
Brand
URB | SKF
Țara de origine
URB - România, SKF - Uniunea Europeană
Trimite solicitare
Specificații
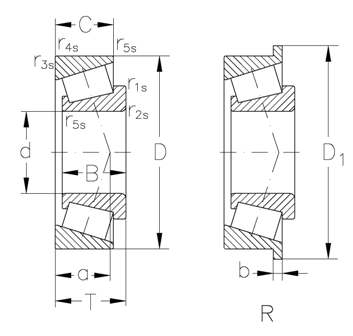
Diametru interior
44.45 mm
Înalțimea
25.4 mm
T(mm)
23.812
r3s r4s min.(mm)
0.8
"e ()"
0.33
Dinamic
83800 KN
grease(min1)
3800
kg ()
0.56
Diametru exterior
82.931 mm
C (mm)
19.05
r1s r2s min.(mm)
3.6
oil(min1)
5600
Y()
1.8
"Y0 ()"
1
Static
111000 KN