Product

11162/11300

Articol
11162/11300
Dimensiuni
Brand
URB | SKF
Țara de origine
URB - România, SKF - Uniunea Europeană
Trimite solicitare
Specificații
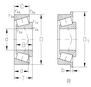
Diametru interior
41.275 mm
Înalțimea
17.384 mm
T(mm)
18.009
r3s r4s min.(mm)
1.5
"e ()"
0.49
Dinamic
44500 KN
grease(min1)
4900
kg ()
0.33
Diametru exterior
76.2 mm
C (mm)
14.29
r1s r2s min.(mm)
1.5
oil(min1)
6500
Y()
1.23
"Y0 ()"
0.68
Static
55100 KN