Product

LM501349/LM501314

Articol
LM501349/LM501314
Dimensiuni
Brand
URB | SKF
Țara de origine
URB - România, SKF - Uniunea Europeană
Trimite solicitare
Specificații
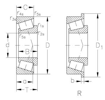
Diametru interior
41.275 mm
Înalțimea
19.812 mm
T(mm)
21.43
r3s r4s min.(mm)
3.5
"e ()"
0.4
Dinamic
58400 KN
grease(min1)
5000
kg ()
0.34
Diametru exterior
73.431 mm
C (mm)
16.604
r1s r2s min.(mm)
0.8
oil(min1)
6600
Y()
1.5
"Y0 ()"
0.83
Static
74200 KN