Product

LM501349/LM501310

Articol
LM501349/LM501310
Dimensiuni
Brand
URB | SKF
Țara de origine
URB - România, SKF - Uniunea Europeană
Trimite solicitare
Specificații
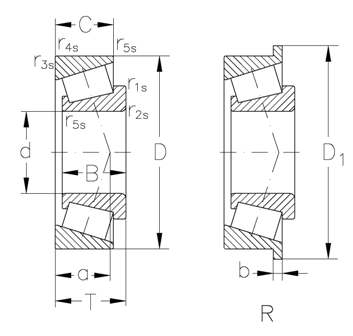
Diametru interior
41.275 mm
Înalțimea
19.812 mm
"e ()"
0.4
r3s r4s min.(mm)
0.8
grease(min1)
4300
Dinamic
48.6 KN
"Y0 ()"
0.8
oil(min1)
6000
Diametru exterior
73.431 mm
C (mm)
14.732
r1s r2s min.(mm)
3.5
a(mm)
16
T(mm)
19.559
Y()
1.5
Static
64.3 KN
kg ()
0.32