Product

M201047/M201011

Articol
M201047/M201011
Dimensiuni
Brand
URB | SKF
Țara de origine
URB - România, SKF - Uniunea Europeană
Trimite solicitare
Specificații
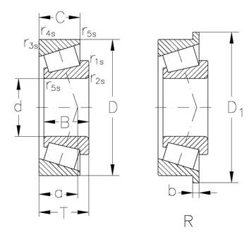
Diametru interior
39.688 mm
Înalțimea
22.098 mm
"e ()"
0.33
r3s r4s min.(mm)
2.3
grease(min1)
4300
Dinamic
57.5 KN
"Y0 ()"
1
oil(min1)
6300
Diametru exterior
73.025 mm
C (mm)
21.336
r1s r2s min.(mm)
0.8
a(mm)
18
T(mm)
25.654
Y()
1.8
Static
72 KN
kg ()
0.46