Product

JL69349/JL69310

Articol
JL69349/JL69310
Dimensiuni
Brand
URB | SKF
Țara de origine
URB - România, SKF - Uniunea Europeană
Trimite solicitare
Specificații
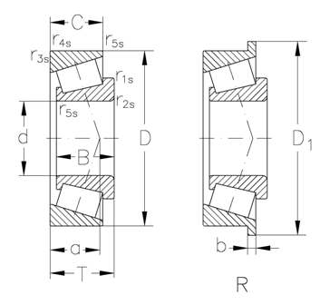
Diametru interior
38 mm
Înalțimea
17 mm
"e ()"
0.42
r3s r4s min.(mm)
1.3
grease(min1)
4800
Dinamic
32.9 KN
"Y0 ()"
0.8
oil(min1)
7000
Diametru exterior
63 mm
C (mm)
13.5
r1s r2s min.(mm)
*
a(mm)
14
T(mm)
17
Y()
1.4
Static
43.8 KN
kg ()
221