Product

HM89449/HM89410

Articol
HM89449/HM89410
Dimensiuni
Brand
URB | SKF
Țara de origine
URB - România, SKF - Uniunea Europeană
Trimite solicitare
Specificații
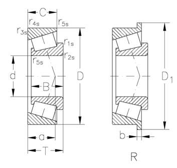
Diametru interior
36.512 mm
Înalțimea
28.575 mm
T(mm)
29.37
r3s r4s min.(mm)
3.3
"e ()"
0.55
Dinamic
86200 KN
grease(min1)
5100
kg ()
0.62
Diametru exterior
76.2 mm
C (mm)
23.02
r1s r2s min.(mm)
3.5
oil(min1)
6800
Y()
1.1
"Y0 ()"
0.6
Static
119000 KN