Product

L68149/L68111

Articol
L68149/L68111
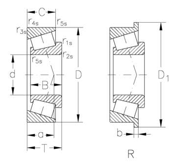
Dimensiuni
Brand
URB | SKF
Țara de origine
URB - România, SKF - Uniunea Europeană
Trimite solicitare
Specificații
Diametru interior
34.988 mm
Înalțimea
16.764 mm
"e ()"
0.42
r3s r4s min.(mm)
1.3
grease(min1)
5300
Dinamic
30.1 KN
"Y0 ()"
0.8
oil(min1)
7500
Diametru exterior
59.974 mm
C (mm)
11.938
r1s r2s min.(mm)
*
a(mm)
13
T(mm)
15.875
Y()
1.4
Static
38.841 KN
kg ()
0.18