Product

HM88649/HM88610

Articol
HM88649/HM88610
Dimensiuni
Brand
URB | SKF
Țara de origine
URB - România, SKF - Uniunea Europeană
Trimite solicitare
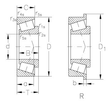
Specificații
Diametru interior
34.925 mm
Înalțimea
25.4 mm
"e ()"
0.55
r3s r4s min.(mm)
2.3
grease(min1)
4500
Dinamic
66.5 KN
"Y0 ()"
0.6
oil(min1)
6700
Diametru exterior
72.233 mm
C (mm)
19.842
r1s r2s min.(mm)
2.3
a(mm)
21
T(mm)
25.4
Y()
1.1
Static
86.61 KN
kg ()
487