Product

14124/14276

Articol
14124/14276
Dimensiuni
Brand
URB | SKF
Țara de origine
URB - România, SKF - Uniunea Europeană
Trimite solicitare
Specificații
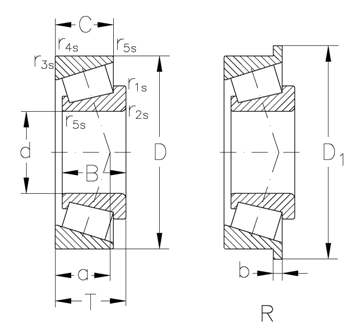
Diametru interior
31.75 mm
Înalțimea
19.583 mm
T(mm)
19.845
r3s r4s min.(mm)
3.3
"e ()"
0.38
Dinamic
50600 KN
grease(min1)
5600
kg ()
0.35
Diametru exterior
69.012 mm
C (mm)
15.875
r1s r2s min.(mm)
0.8
oil(min1)
7400
Y()
1.57
"Y0 ()"
0.86
Static
61700 KN