Product

02474/02420

Articol
02474/02420
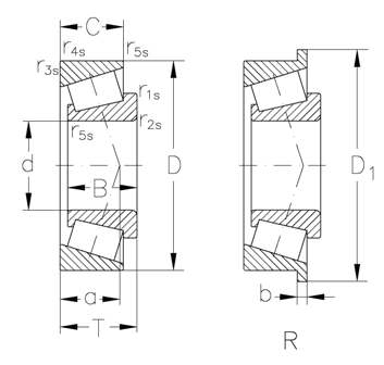
Dimensiuni
Brand
URB | SKF
Țara de origine
URB - România, SKF - Uniunea Europeană
Trimite solicitare
Specificații
Diametru interior
28.575 mm
Înalțimea
22.225 mm
T(mm)
22.225
r3s r4s min.(mm)
1.5
"e ()"
0.42
Dinamic
59100 KN
grease(min1)
5800
kg ()
0.4
Diametru exterior
68.262 mm
C (mm)
17.463
r1s r2s min.(mm)
0.8
oil(min1)
7700
Y()
1.44
"Y0 ()"
0.79
Static
70200 KN