Product

L44649/L44610

Articol
L44649/L44610
Dimensiuni
Brand
URB | SKF
Țara de origine
URB - România, SKF - Uniunea Europeană
Trimite solicitare
Specificații
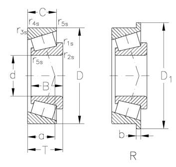
Diametru interior
26.988 mm
Înalțimea
14.732 mm
"e ()"
0.37
r3s r4s min.(mm)
1.3
grease(min1)
6300
Dinamic
23.4 KN
"Y0 ()"
0.9
oil(min1)
9000
Diametru exterior
50.292 mm
C (mm)
10.668
r1s r2s min.(mm)
3.5
a(mm)
11
T(mm)
14.224
Y()
1.6
Static
25.913 KN
kg ()
115