Product

15101/15245

Articol
15101/15245
Dimensiuni
Brand
URB | SKF
Țara de origine
URB - România, SKF - Uniunea Europeană
Trimite solicitare
Specificații
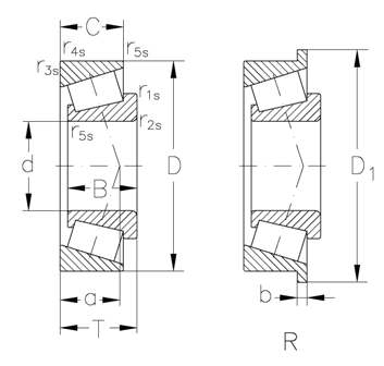
Diametru interior
25.4 mm
Înalțimea
20.638 mm
T(mm)
19.05
r3s r4s min.(mm)
1.3
"e ()"
0.35
Dinamic
46800 KN
grease(min1)
6100
kg ()
0.29
Diametru exterior
62 mm
C (mm)
14.288
r1s r2s min.(mm)
1.3
oil(min1)
8200
Y()
1.7
"Y0 ()"
0.9
Static
53900 KN