Product

07097/07204

Articol
07097/07204
Dimensiuni
Brand
URB | SKF
Țara de origine
URB - România, SKF - Uniunea Europeană
Trimite solicitare
Specificații
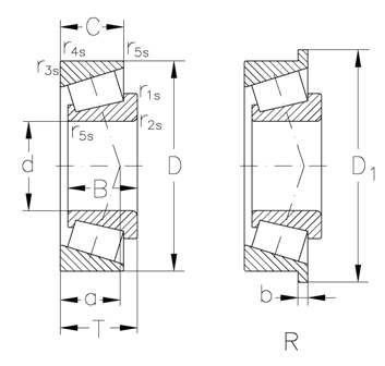
Diametru interior
25 mm
Înalțimea
14.26 mm
"e ()"
0.4
r3s r4s min.(mm)
1.3
grease(min1)
6300
Dinamic
23.7 KN
"Y0 ()"
0.8
oil(min1)
9000
Diametru exterior
51.994 mm
C (mm)
12.7
r1s r2s min.(mm)
1.5
a(mm)
12
T(mm)
15.011
Y()
1.5
Static
27.5 KN
kg ()
0.14