Product

1779/1729

Articol
1779/1729
Dimensiuni
Brand
URB | SKF
Țara de origine
URB - România, SKF - Uniunea Europeană
Trimite solicitare
Specificații
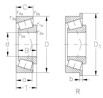
Diametru interior
23.812 mm
Înalțimea
19.837 mm
T(mm)
19.367
r3s r4s min.(mm)
1.3
"e ()"
0.31
Dinamic
42000 KN
grease(min1)
7200
kg ()
0.24
Diametru exterior
56.896 mm
C (mm)
15.875
r1s r2s min.(mm)
0.8
oil(min1)
9600
Y()
1.95
"Y0 ()"
1.07
Static
45300 KN