Product

LM12749/LM12710

Articol
LM12749/LM12710
Dimensiuni
Brand
URB | SKF
Țara de origine
URB - România, SKF - Uniunea Europeană
Trimite solicitare
Specificații
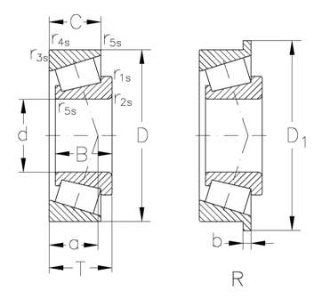
Diametru interior
21.986 mm
Înalțimea
16.637 mm
"e ()"
0.31
r3s r4s min.(mm)
1.3
grease(min1)
7500
Dinamic
25.2 KN
"Y0 ()"
1.1
oil(min1)
10000
Diametru exterior
45.237 mm
C (mm)
12.065
r1s r2s min.(mm)
1.3
a(mm)
10
T(mm)
15.494
Y()
2
Static
27.7 KN
kg ()
122