Product

09067/09195

Articol
09067/09195
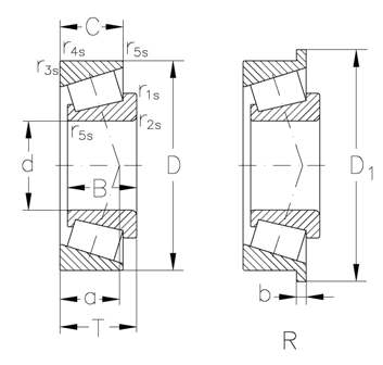
Dimensiuni
Brand
URB | SKF
Țara de origine
URB - România, SKF - Uniunea Europeană
Trimite solicitare
Specificații
Diametru interior
19.05 mm
Înalțimea
19.05 mm
"e ()"
0.27
r3s r4s min.(mm)
1.3
grease(min1)
7000
Dinamic
31.1 KN
"Y0 ()"
1.2
oil(min1)
10000
Diametru exterior
49.225 mm
C (mm)
14.288
r1s r2s min.(mm)
1.3
a(mm)
11
T(mm)
18.034
Y()
2.3
Static
33.1 KN
kg ()
0.16