Product

A6075/A6157

Articol
A6075/A6157
Dimensiuni
Brand
URB | SKF
Țara de origine
URB - România, SKF - Uniunea Europeană
Trimite solicitare
Specificații
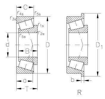
Diametru interior
19.05 mm
Înalțimea
11.153 mm
T(mm)
12.014
r3s r4s min.(mm)
1.3
"e ()"
0.53
Dinamic
12400 KN
grease(min1)
10000
kg ()
0.07
Diametru exterior
39.992 mm
C (mm)
12.014
r1s r2s min.(mm)
1
oil(min1)
13000
Y()
1.14
"Y0 ()"
0.63
Static
12300 KN