Product

17580/17520

Articol
17580/17520
Dimensiuni
Brand
URB | SKF
Țara de origine
URB - România, SKF - Uniunea Europeană
Trimite solicitare
Specificații
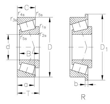
Diametru interior
15.875 mm
Înalțimea
16.67 mm
T(mm)
16.67
r3s r4s min.(mm)
1.5
"e ()"
0.33
Dinamic
29100 KN
grease(min1)
9800
kg ()
0.11
Diametru exterior
42.862 mm
C (mm)
13.495
r1s r2s min.(mm)
1.5
oil(min1)
13000
Y()
1.81
"Y0 ()"
1
Static
29200 KN