Product

A4050/4138

Articol
A4050/4138
Dimensiuni
Brand
URB | SKF
Țara de origine
URB - România, SKF - Uniunea Europeană
Trimite solicitare
Specificații
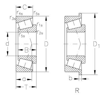
Înalțimea
10.988 mm
"e ()"
0.45
r3s r4s min.(mm)
1.3
grease(min1)
10000
"Y0 ()"
0.7
oil(min1)
15000
Diametru interior
12.7 mm
Dinamic
12 KN
Diametru exterior
34.988 mm
r1s r2s min.(mm)
1.3
a(mm)
9
T(mm)
10.998
Y()
1.3
Static
11.85 KN
kg ()
58
C (mm)
8.73