Product

NJ430 M

Articol
NJ430 M
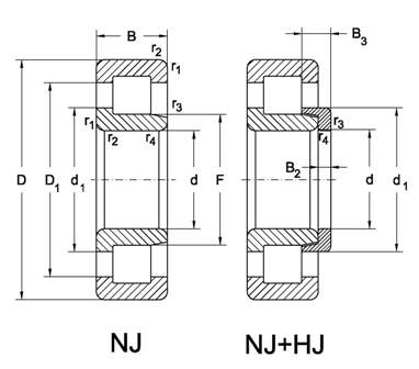
Dimensiuni
Brand
URB | SKF
Țara de origine
URB - România, SKF - Uniunea Europeană
Trimite solicitare
Specificații
Diametru interior
150 mm
Înalțimea
85 mm
Static
1145 KN
1
1
Diametru exterior
380 mm
Dinamic
898 KN
r1
r2 min.(mm)