Product

511/530 MP

Артикул
511/530 MP
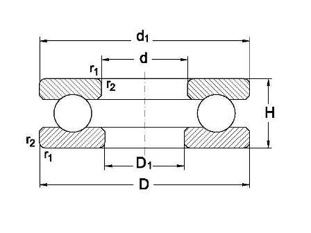
Размеры
Бренд
URB | SKF
Страна бренда
УРБ - Румыния, СКФ — Евросоюз
Отправить заявку
Технические характеристики
Внутренний диаметр
530 мм
Динамическая
620 КН
r1
r2 min.(mm)
Внешний диаметр
640 мм
Статическая
3900 КН
1
kg ()