Product

51184 MP

Артикул
51184 MP
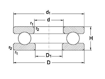
Размеры
Бренд
URB | SKF
Страна бренда
УРБ - Румыния, СКФ — Евросоюз
Отправить заявку
Технические характеристики
Внутренний диаметр
420 мм
Динамическая
440 КН
r1
r2 min.(mm)
Внешний диаметр
500 мм
Статическая
2450 КН
1
Industrie