Product

51180 MP

Артикул
51180 MP
Размеры
Бренд
URB | SKF
Страна бренда
УРБ - Румыния, СКФ — Евросоюз
Отправить заявку
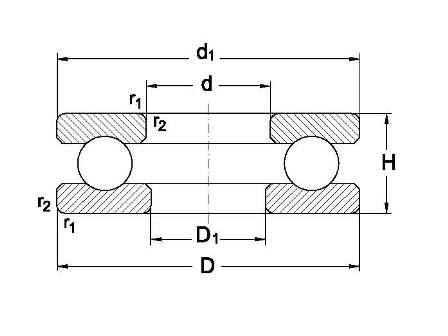
Технические характеристики
Внутренний диаметр
400 мм
Динамическая
440 КН
r1
r2 min.(mm)
Внешний диаметр
480 мм
Статическая
2320 КН
1
Industrie