51272 M
Артикул
51272 M
Размеры
Бренд
Страна бренда
УРБ - Румыния, СКФ — Евросоюз
Отправить заявку
Технические характеристики
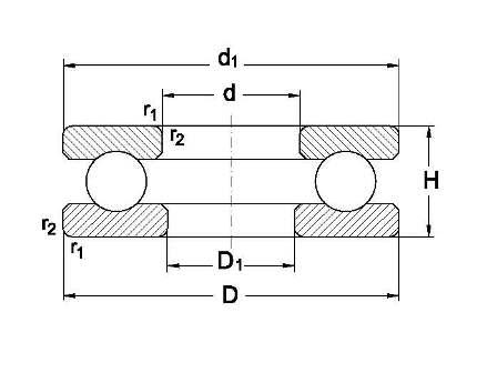
Внутренний диаметр
360 мм
Динамическая
765 КН
r1
r2 min.(mm)
Внешний диаметр
500 мм
Статическая
3900 КН
1
Industrie