51164 FP
Артикул
51164 FP
Размеры
Бренд
Страна бренда
УРБ - Румыния, СКФ — Евросоюз
Отправить заявку
Технические характеристики
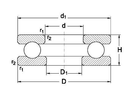
Внутренний диаметр
320 мм
Динамическая
375 КН
r1
r2 min.(mm)
Внешний диаметр
400 мм
Статическая
1700 КН
1
Industrie