51260 MP
Артикул
51260 MP
Размеры
Бренд
Страна бренда
УРБ - Румыния, СКФ — Евросоюз
Отправить заявку
Технические характеристики
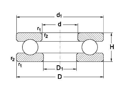
Внутренний диаметр
300 мм
Динамическая
610 КН
r1
r2 min.(mm)
Внешний диаметр
420 мм
Статическая
2750 КН
1
Industrie