Product

51160 FP

Артикул
51160 FP
Размеры
Бренд
URB | SKF
Страна бренда
УРБ - Румыния, СКФ — Евросоюз
Отправить заявку
Технические характеристики
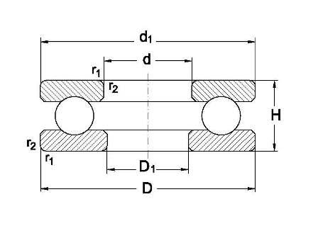
Внутренний диаметр
300 мм
Динамическая
365 КН
r1
r2 min.(mm)
Внешний диаметр
380 мм
Статическая
1600 КН
1
Industrie