51248 MP
Артикул
51248 MP
Размеры
Бренд
Страна бренда
УРБ - Румыния, СКФ — Евросоюз
Отправить заявку
Технические характеристики
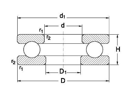
Внутренний диаметр
240 мм
Динамическая
465 КН
r1
r2 min.(mm)
Внешний диаметр
340 мм
Статическая
1860 КН
1
Industrie