51336 M
Артикул
51336 M
Размеры
Бренд
Страна бренда
УРБ - Румыния, СКФ — Евросоюз
Отправить заявку
Технические характеристики
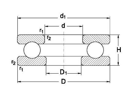
Внутренний диаметр
180 мм
Динамическая
546 КН
r1
r2 min.(mm)
Внешний диаметр
300 мм
Статическая
1956 КН
1
kg ()