51234 MP
Артикул
51234 MP
Размеры
Бренд
Страна бренда
УРБ - Румыния, СКФ — Евросоюз
Отправить заявку
Технические характеристики
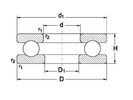
Внутренний диаметр
170 мм
Динамическая
285 КН
r1
r2 min.(mm)
Внешний диаметр
240 мм
Статическая
930 КН
1
Industrie