Product

51214

Артикул
51214
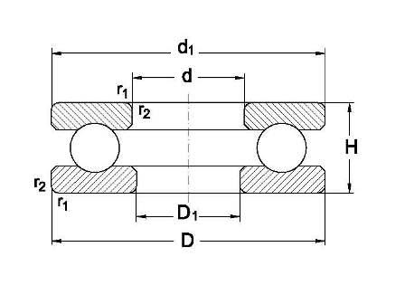
Размеры
Бренд
URB | SKF
Страна бренда
УРБ - Румыния, СКФ — Евросоюз
Отправить заявку
Технические характеристики
Внутренний диаметр
70 мм
Динамическая
72.8 КН
r1
r2 min.(mm)
Внешний диаметр
105 мм
Статическая
189 КН
1
Industrie