NJ2240 EM
Артикул
NJ2240 EM
Размеры
Бренд
Страна бренда
УРБ - Румыния, СКФ — Евросоюз
Отправить заявку
Технические характеристики
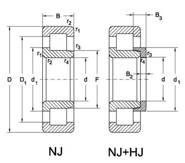
Внутренний диаметр
200 мм
Высота
98 мм
Статическая
1860 КН
1
1
Внешний диаметр
360 мм
Динамическая
1220 КН
r1
r2 min.(mm)