NJ2238 M
Артикул
NJ2238 M
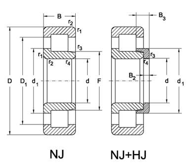
Размеры
Бренд
Страна бренда
УРБ - Румыния, СКФ — Евросоюз
Отправить заявку
Технические характеристики
Внутренний диаметр
190 мм
Высота
92 мм
Статическая
1338 КН
1
1
Внешний диаметр
340 мм
Динамическая
854 КН
r1
r2 min.(mm)