Product

NJ230 EM

Артикул
NJ230 EM
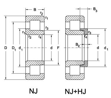
Размеры
Бренд
URB | SKF
Страна бренда
УРБ - Румыния, СКФ — Евросоюз
Отправить заявку
Технические характеристики
Внутренний диаметр
150 мм
Высота
45 мм
Статическая
585 КН
1
1
Внешний диаметр
270 мм
Динамическая
440 КН
r1
r2 min.(mm)