Product

NJ321 E

Артикул
NJ321 E
Размеры
Бренд
URB | SKF
Страна бренда
УРБ - Румыния, СКФ — Евросоюз
Отправить заявку
Технические характеристики
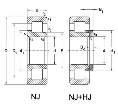
Внутренний диаметр
105 мм
Высота
49 мм
Статическая
380 КН
1
1
Внешний диаметр
225 мм
Динамическая
335 КН
r1
r2 min.(mm)