Product

NJ2315 E

Артикул
NJ2315 E
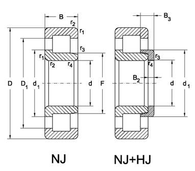
Размеры
Бренд
URB | SKF
Страна бренда
УРБ - Румыния, СКФ — Евросоюз
Отправить заявку
Технические характеристики
Внутренний диаметр
75 мм
Высота
55 мм
Статическая
395 КН
1
1
Внешний диаметр
160 мм
Динамическая
329 КН
r1
r2 min.(mm)