Product

NJ210 E

Артикул
NJ210 E
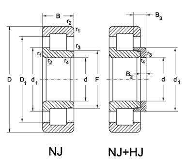
Размеры
Бренд
URB | SKF
Страна бренда
УРБ - Румыния, СКФ — Евросоюз
Отправить заявку
Технические характеристики
Внутренний диаметр
50 мм
Высота
20 мм
Статическая
68 КН
1
1
Внешний диаметр
90 мм
Динамическая
64 КН
r1
r2 min.(mm)