Product

NJ2340 VH

Артикул
NJ2340 VH
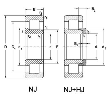
Размеры
Бренд
URB | SKF
Страна бренда
УРБ - Румыния, СКФ — Евросоюз
Отправить заявку
Технические характеристики
Внутренний диаметр
200 мм
Высота
138 мм
Статическая
3680 КН
r1
r2 min.(mm)
Внешний диаметр
420 мм
Динамическая
2290 КН
d1 ≈(mm)
347.5
1
Bearing(Kg)