NC3040 V
Артикул
NC3040 V
Размеры
Бренд
Страна бренда
УРБ - Румыния, СКФ — Евросоюз
Отправить заявку
Технические характеристики
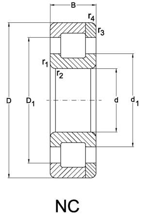
Внутренний диаметр
200 мм
Высота
82 мм
Статическая
1750 КН
1
1
Внешний диаметр
310 мм
Динамическая
990 КН
r1
r2 min.(mm)