NC3036 V
Артикул
NC3036 V
Размеры
Бренд
Страна бренда
УРБ - Румыния, СКФ — Евросоюз
Отправить заявку
Технические характеристики
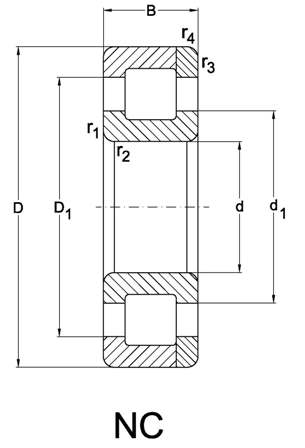
Внутренний диаметр
180 мм
Высота
74 мм
Статическая
1400 КН
1
1
Внешний диаметр
280 мм
Динамическая
820 КН
r1
r2 min.(mm)