NC2926 V
Артикул
NC2926 V
Размеры
Бренд
Страна бренда
УРБ - Румыния, СКФ — Евросоюз
Отправить заявку
Технические характеристики
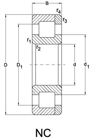
Внутренний диаметр
130 мм
Высота
30 мм
Статическая
350 КН
1
1
Внешний диаметр
180 мм
Динамическая
205 КН
r1
r2 min.(mm)