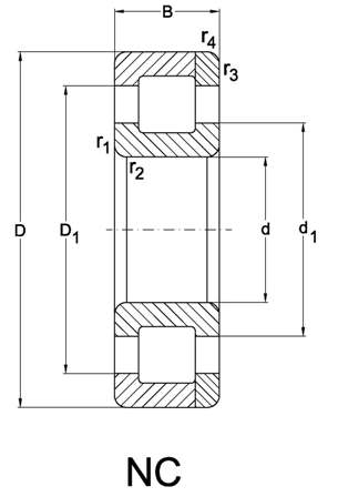
Product

NC3011 V

Артикул
NC3011 V
Размеры
55x90x26 mm
Бренд
URB | SKF
Страна бренда
УРБ - Румыния, СКФ — Евросоюз
Отправить заявку
Технические характеристики