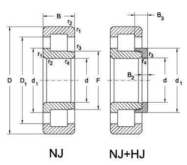
Product

NJ2310 VH

Артикул
NJ2310 VH
Размеры
50x110x40 mm
Бренд
URB | SKF
Страна бренда
УРБ - Румыния, СКФ — Евросоюз
Отправить заявку
Технические характеристики