NC2908 V
Артикул
NC2908 V
Размеры
Бренд
Страна бренда
УРБ - Румыния, СКФ — Евросоюз
Отправить заявку
Технические характеристики
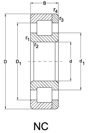
Внутренний диаметр
40 мм
Высота
14 мм
Статическая
46.5 КН
1
1
Внешний диаметр
62 мм
Динамическая
34 КН
r1
r2 min.(mm)