NC3007 V
Артикул
NC3007 V
Размеры
Бренд
Страна бренда
УРБ - Румыния, СКФ — Евросоюз
Отправить заявку
Технические характеристики
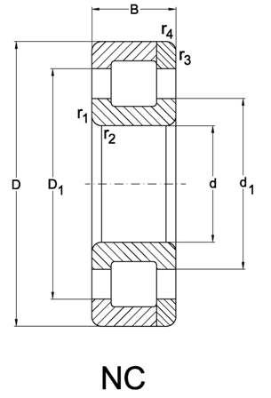
Внутренний диаметр
35 мм
Высота
20 мм
Статическая
71.5 КН
1
1
Внешний диаметр
62 мм
Динамическая
55 КН
r1
r2 min.(mm)